BJL平台
网站logo
网站首页
home
走进BJL平台
about
BJL平台简介
向导致辞
企业文化
企业大事记
资质声誉
员工风范
新闻中心
news
公司新闻
行业新闻
厂区厂貌
factory
厂区厂貌
加工装备
制品库
莳植基地
产品展示
product
BJL平台系列
秋溢系列
米立方系列
官方商城
shop
天猫商城
京东商城
苏宁易购
互利共赢
join
营销网络
相助同伴
售后服务
未来妄想
加盟条件
店面展示
联系BJL平台
contact
公司新闻
|
行业新闻
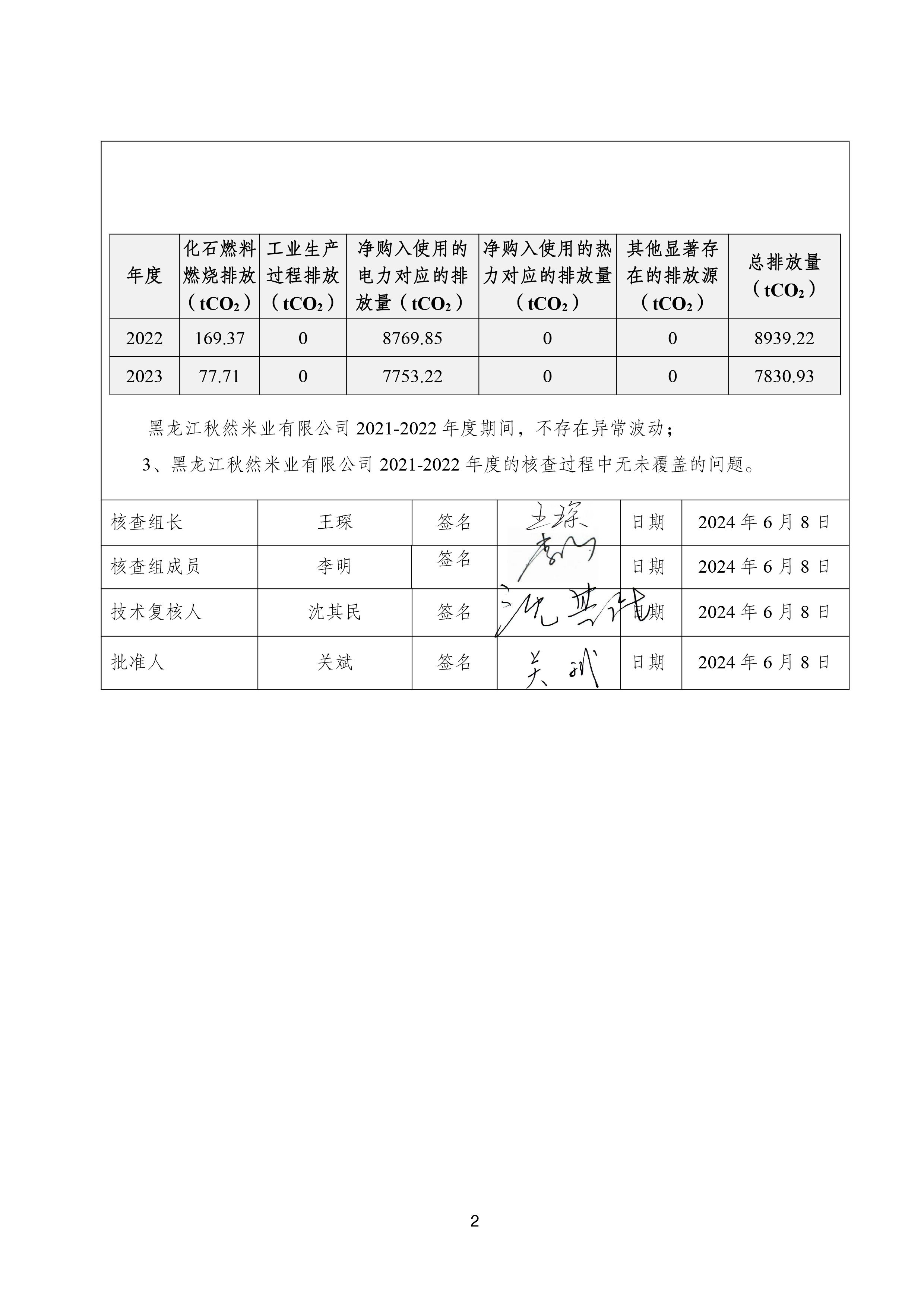
BJL平台米业2022-2023年度温室气体排放核查报告
更新时间:2024-08-12 00:00:00
BJL平台 黑ICP备12000052号-2 手艺支持:风腾电商
累计浏览量:149019
网站地图